Trek Technical Stuff

 

 

12 volt wiring diagram

120 VAC Wiring diagram

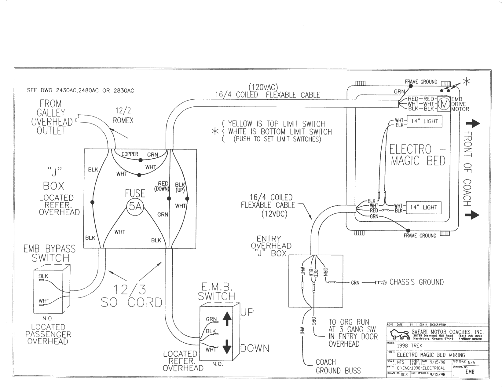
Electro-Magic bed wiring

Acme electrical Troubleshooting

heater/AC wiring Diagram (Acme)

heater/AC Vacuum Diagram (Acme)